
全國服務熱線:13805601641
聯(lián) 系 人:李先生 劉先生 牛小姐
電 話:0551-67743716 0551-67717489
手 機:13805601641
傳 真:0551-67744846
郵 編:231600
網 址:http://www.johnryanart.com/
郵 箱:sales@jflhq.com lcg@jflhq.com
廠 址:安徽省合肥市肥東新區(qū)前委大道

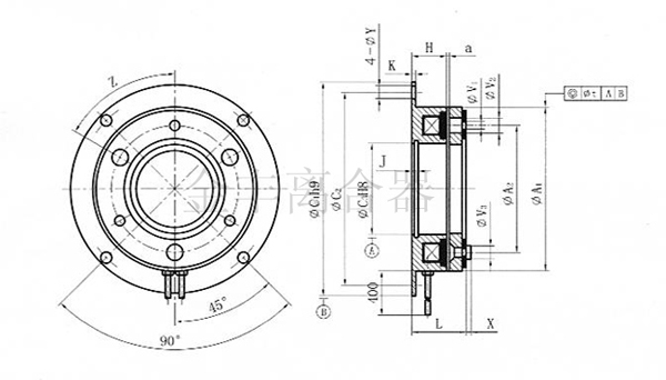
DLD5一型(基型銜鐵)單片電磁離合器


單片式電磁制動器是屬于一種使用性能好的制動器,它們還有另一個稱呼也就是為連接器,在使用它們的時候操作也是很靈活,可以根據實際的需求對于進行任意的結合、切離等。這樣的設備在運行的時候利用的是電磁力的作用,其具備的性能特點也是很多,它們的構造簡單,具有很好的響應速度等,這樣也就會使得在使用它們的時候會更加的便捷。單片式電磁制動器是屬于一種很好的自動化執(zhí)行器件,尤其是在工業(yè)領域對于它們的使用就是很多。
在使用這些單片式電磁制動器的時候主要也就是將它們與相應的電機配合在一起使用,所以它們被廣泛的用于化工、冶金、機床以及包裝領域機械的使用上,它們的使用能夠起到很好的緩和作用。也就是如果機械設備在運行的時候出現故障的話其就能夠在斷電的時候起到制動的作用,這樣也就能夠避免到意外的出現。我們公司生產出的制動器類型也是很多,比如有盤式設計的樣式,還有就是干式設計的類型等,它們的使用都是同樣的顯著!
| * 聯(lián)系人: | 請?zhí)顚懩恼鎸嵭彰?/span> |
| * 手機號碼: | 請?zhí)顚懩穆?lián)系電話 |
| * 電子郵件: | |
| 意向描述: | |
| 驗證碼: |
|






